Hello Guest User,
Please feel free to have a look around the forum but be aware that as an unregistered guest you can't see all of it and you can't post.
To access these 'Registered Users Only' areas simply register and login.
Please feel free to have a look around the forum but be aware that as an unregistered guest you can't see all of it and you can't post.
To access these 'Registered Users Only' areas simply register and login.
Front master cylinder
Moderators: chrisu, paul doran, Taffus, KeithZ1R
Front master cylinder
need front master cylinder for a z1r anyone know where to get 1 , or has anyone put a (5/8) triangular master cylinder on a z1r and if so can you post image please. (Part no 43015-1009)
- Z1streetfighter71
- ZedHead

- Posts: 1030
- Joined: 16th Oct 2020
- Location: Galway-Eire
Re: Front master cylinder
Sifu wrote:need front master cylinder for a z1r anyone know where to get 1 , or has anyone put a (5/8) triangular master cylinder on a z1r and if so can you post image please. (Part no 43015-1009)
Reservoir or master for a Z1r on its own is "hens teeth" I will have the full front brake system for sale later in the spring after iv rebuilt it. Try the 78 master but it may hit off the screen so id check clearance first.
Angus.
Too many bikes to list.
Too many bikes to list.
-
Paul Spencer
- new poster
- Posts: 10
- Joined: 4th Apr 2020
- Location: Maidenhead
Re: Front master cylinder
I have this master cylinder which I was told many years ago came from a Z1R. Please take a close look at the photos and confirm if it is of interest.
- Z1streetfighter71
- ZedHead

- Posts: 1030
- Joined: 16th Oct 2020
- Location: Galway-Eire
Re: Front master cylinder
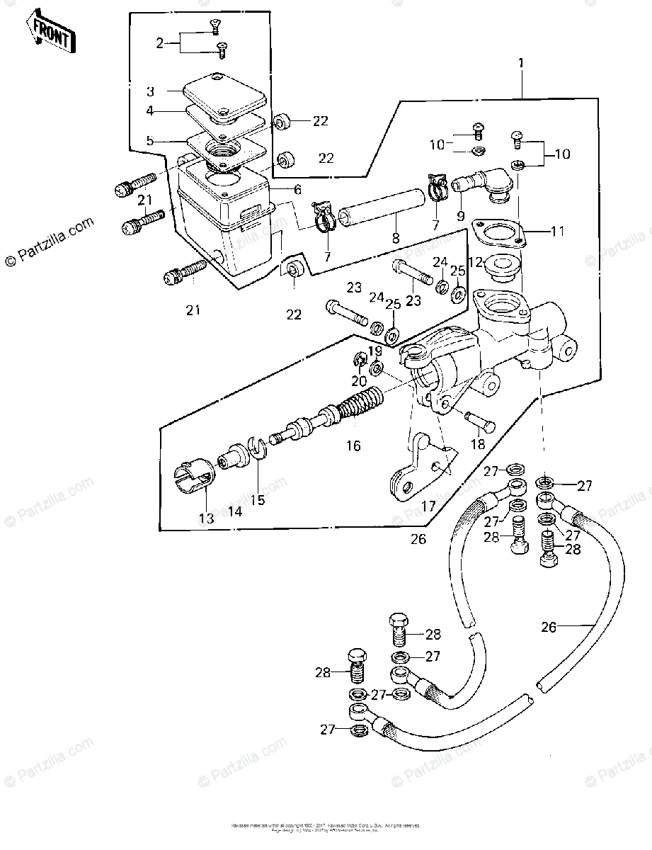
Thats off a Z1000 a2, the Z1r brake system is fairly complex affair, consisting of a brake lever perch that has a cable that is at attached to a master mounted under the cowl with a separate reservoir to the left of the fork, se below.
Last edited by Z1streetfighter71 on Fri Feb 28, 2025 7:44 pm, edited 1 time in total.
Angus.
Too many bikes to list.
Too many bikes to list.
Re: Front master cylinder
Agreed, the Z1r didn't have the master cylinder up by the lever, it was down in the fairing and operated remotely by a cable
gray
Re: Front master cylinder
Thanks for everyone help. But I’ve managed to sort out the master cylinder now it was and pipes full of rust and wouldn’t hold the pressure when applying the brake but again. Sorted now
Who is online
Users browsing this forum: No registered users and 56 guests

