Hello Guest User,
Please feel free to have a look around the forum but be aware that as an unregistered guest you can't see all of it and you can't post.
To access these 'Registered Users Only' areas simply register and login.
Please feel free to have a look around the forum but be aware that as an unregistered guest you can't see all of it and you can't post.
To access these 'Registered Users Only' areas simply register and login.
Z900 rear wheel fitment (yet more issues)
Moderators: chrisu, paul doran, Taffus, KeithZ1R
Z900 rear wheel fitment (yet more issues)
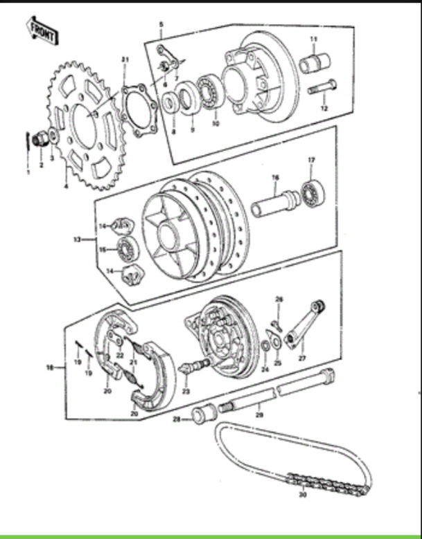
Ok so following on from my previous post, wheel lacing, which seems to have been successful, i have today fitted the new rear tyre and inner tube and rim tape, then attempted to mount the rear wheel but for some reason it hits the brake side when axle is parrallel. The haynes manual shows spacer at chain side but it looks like it should go on brake side? Ideas guys please
Also theres 3 spacer washers no idea where they go as wheel is a tight fit in swinging arm. See photos.
Thanks
Also theres 3 spacer washers no idea where they go as wheel is a tight fit in swinging arm. See photos.
Thanks
Last edited by Gray17 on Wed May 24, 2023 7:59 pm, edited 2 times in total.
Re: Z900 rear wheel fitment
The image you have is misleading. You have the axle around the wrong way. Head should be sprocket side and spacers/nut on brake side
Re: Z900 rear wheel fitment
The Haynes manual is def tight misleading, but checked photo of before i stripped im sure spacer was on cog side before but just looks wrong and you cannot line up left and right adjusters or tyre hits. Was worried it was my wheel building but everything looks as it should, cannot see the ofset is wring as all spokes are just at end of thread and equally tight.
Yes did notice i put axle in wrong way, my bad will swop over just need confirmation on spacer position, oh and where those washers go, the hole in centre is bigger then the Axle so no idea and its not shown on parts list.
Thanks
Yes did notice i put axle in wrong way, my bad will swop over just need confirmation on spacer position, oh and where those washers go, the hole in centre is bigger then the Axle so no idea and its not shown on parts list.
Thanks
Last edited by Gray17 on Wed May 24, 2023 8:01 pm, edited 1 time in total.
- warren3200gt
- Hardcore

- Posts: 3098
- Joined: 13th Jun 2014
- Location: Dartford Kent
Re: Z900 rear wheel fitment
Graham, spacer goes on the brake side, a spacer which is inset into the sprocket carrier goes on the sprocket side or your chain will be out of line. Only waskers is one under the castle nut. All from memory but I'll add a parts diagram from the manufacturers website.
PUM 488 June 2026
76 Z900A4, 77 Z650B1, 77 KZ650B1, 77 Z1000A1, 82 Z1000J2, ZRX1100R.
76 Z900A4, 77 Z650B1, 77 KZ650B1, 77 Z1000A1, 82 Z1000J2, ZRX1100R.
Re: Z900 rear wheel fitment
Thank you, ill swop that around tomorrow, along with the axle. I have been through the factory A4 parts list it def doesnt show the washers either. But pretty sure i put them all togethercas an assmebly when i removed it. Hadca flich through the other sections cant see any washers like that anywhere. This is problem when you buy a bike thats been hacked about with parts from numerous models.
- warren3200gt
- Hardcore

- Posts: 3098
- Joined: 13th Jun 2014
- Location: Dartford Kent
Re: Z900 rear wheel fitment
Only washer is part no 3. It is quite the thick, maybe 3mm. If the ones you have are only a mm or so then that would explain why you have 3.
PUM 488 June 2026
76 Z900A4, 77 Z650B1, 77 KZ650B1, 77 Z1000A1, 82 Z1000J2, ZRX1100R.
76 Z900A4, 77 Z650B1, 77 KZ650B1, 77 Z1000A1, 82 Z1000J2, ZRX1100R.
Re: Z900 rear wheel fitment
The correct thick washers in place too which goes just behind axle castellated nut, no these are 3 extra washers and they wont fit in wheel anywhere or within the axle assembly too tight, also the holes are much larger then the axle diameter, im at a loss? If allsxwell after i swop axle and spacer around they wont be going back.
Last edited by Gray17 on Mon May 22, 2023 6:50 pm, edited 1 time in total.
- warren3200gt
- Hardcore

- Posts: 3098
- Joined: 13th Jun 2014
- Location: Dartford Kent
Re: Z900 rear wheel fitment
Are you sure they were on there originally? Do you have part 8?
PUM 488 June 2026
76 Z900A4, 77 Z650B1, 77 KZ650B1, 77 Z1000A1, 82 Z1000J2, ZRX1100R.
76 Z900A4, 77 Z650B1, 77 KZ650B1, 77 Z1000A1, 82 Z1000J2, ZRX1100R.
Re: Z900 rear wheel fitment
Hi Warren yes have part 8 already fitted into oil seal on sprocket side.
Im pretty sure i removed the rear axle and refitted everything that came off back in its original place, but it was 5 months ago so im seconf guessing myself now. Been right through A4 parts manual cannot see anything like those 3 washers? Its a mystery.
Im pretty sure i removed the rear axle and refitted everything that came off back in its original place, but it was 5 months ago so im seconf guessing myself now. Been right through A4 parts manual cannot see anything like those 3 washers? Its a mystery.
- warren3200gt
- Hardcore

- Posts: 3098
- Joined: 13th Jun 2014
- Location: Dartford Kent
Re: Z900 rear wheel fitment
You've not done a job right unless there's at least one washer left over. 
PUM 488 June 2026
76 Z900A4, 77 Z650B1, 77 KZ650B1, 77 Z1000A1, 82 Z1000J2, ZRX1100R.
76 Z900A4, 77 Z650B1, 77 KZ650B1, 77 Z1000A1, 82 Z1000J2, ZRX1100R.
Re: Z900 rear wheel fitment
Ha! Unless you've got loads left then your in trouble!
Swopped axle and spacer around, wheel now fits correctly, still no idea what the 3 spare washers do? Just need to fit chain and adjust tension. Then onto the next job on the list.
Thanks to all
Swopped axle and spacer around, wheel now fits correctly, still no idea what the 3 spare washers do? Just need to fit chain and adjust tension. Then onto the next job on the list.
Thanks to all
Re: Z900 rear wheel fitment
Gray17 wrote:Been right through A4 parts manual cannot see anything like those 3 washers? Its a mystery.
The other washers are not fitted. They are optional
- Attachments
-
- zzz.jpg (74.37 KiB) Viewed 7160 times
Re: Z900 rear wheel fitment
Well 'spoke' to soon (no pun intended) got wheel in place as per drawings, torque arm and brake rod and even chain, then adjusted, then tightened up axle bolt, all looking good, or so i thought, but alas no yet another issue!. I have not replaced the wheel bearings as in very good condition, but have re packed them with grease. The wheel has neen put back exactly as drawing but it has movement side to side. Which it shouldnt have, Axle is def tight, im now thinking those washers need to be fitted, question is where? Do you fit on the end befoore the thick washer or 1 on one side then the 2 on the other then tighten axle see if it takes out the side to side movement? Or and um hoping not here they fit in between either the brake hub or rear cog plate surely not??? Advice needed please this is doing my ed in!!!
(yorkshire term)
Thanks
Amendment tried 3 washers as well as thick washer before axles castellated nut, it now tightens up correctly and removes side to side movement on wheel, but looks crap, question is why? As everythings as it should be?
(yorkshire term)
Thanks
Amendment tried 3 washers as well as thick washer before axles castellated nut, it now tightens up correctly and removes side to side movement on wheel, but looks crap, question is why? As everythings as it should be?
Re: Z900 rear wheel fitment (yet more issues)
Hi Grey,
It sounds like when you tried to tighten the axle nut up without those washers it was bottoming out on the end of the axle threaded portion.
With the washers in it is able to tighten the whole assembly correctly.
You definitely have an issue as it shouldn’t have those three washers. Maybe it’s the wrong axle or maybe someone has modified the wheel spacers for some reason.
Maybe someone on here who has the same bike can point you in the right direction to the dimensions that you need to check such things as axle length, axle thread length and spacer thickness then you can identify where the problem is.
Keep going with it, you’re almost there!
It sounds like when you tried to tighten the axle nut up without those washers it was bottoming out on the end of the axle threaded portion.
With the washers in it is able to tighten the whole assembly correctly.
You definitely have an issue as it shouldn’t have those three washers. Maybe it’s the wrong axle or maybe someone has modified the wheel spacers for some reason.
Maybe someone on here who has the same bike can point you in the right direction to the dimensions that you need to check such things as axle length, axle thread length and spacer thickness then you can identify where the problem is.
Keep going with it, you’re almost there!
Re: Z900 rear wheel fitment (yet more issues)
Yes thats exactly the issue i have, even with the correct thick spacer washer in place the castellated nut is indeed bottoming out before clamping the assembly together, with the 3 washers its fine, i could get some washers of the correct size which would look better but concerned theres a bigger issue here ie wrong size axle, the spacers at either side not correct, obviously adding the washers would take up the thread so it tightens and this does work but the wheel may be ofset, i have spun wheel with chain and it seems to be ok not catching or trying to come off sprockets.
This is another issue when someone before you has swopped loads of things around and your trying to correct it using oarts guide and workshop manual.
Can anyone with an A4 900 please tell me the sprocket spacer thickness or indeed measure distance between sprocket and chrome chain adjuster bracket, then same on hub side between the chrome adjuster and the hub face, least i will then know those parts are correct. If you could also measure distance between bothchain adjuster with axle clamped. I would be most grateful.
Thanks in advance.
Thanks
This is another issue when someone before you has swopped loads of things around and your trying to correct it using oarts guide and workshop manual.
Can anyone with an A4 900 please tell me the sprocket spacer thickness or indeed measure distance between sprocket and chrome chain adjuster bracket, then same on hub side between the chrome adjuster and the hub face, least i will then know those parts are correct. If you could also measure distance between bothchain adjuster with axle clamped. I would be most grateful.
Thanks in advance.
Thanks
Who is online
Users browsing this forum: Jigginjim and 63 guests

