So what do I need to change to make the increases per 1k rpm to be 125mv?
Hello Guest User,
Please feel free to have a look around the forum but be aware that as an unregistered guest you can't see all of it and you can't post.
To access these 'Registered Users Only' areas simply register and login.
Please feel free to have a look around the forum but be aware that as an unregistered guest you can't see all of it and you can't post.
To access these 'Registered Users Only' areas simply register and login.
Any electronic engineers amongst us?
Moderators: chrisu, paul doran, Taffus, KeithZ1R
- warren3200gt
- Hardcore

- Posts: 3103
- Joined: 13th Jun 2014
- Location: Dartford Kent
Re: Any electronic engineers amongst us?
Ok, I'll take your word for it 
So what do I need to change to make the increases per 1k rpm to be 125mv?
So what do I need to change to make the increases per 1k rpm to be 125mv?
PUM 488 June 2026
76 Z900A4, 77 Z650B1, 77 KZ650B1, 77 Z1000A1, 82 Z1000J2, ZRX1100R.
76 Z900A4, 77 Z650B1, 77 KZ650B1, 77 Z1000A1, 82 Z1000J2, ZRX1100R.
Re: Any electronic engineers amongst us?
I'd need to think a bit harder than I'm capable of. (havn't messed with this sort of thing for 30 years)
hear's the link to the spec for someone who's more current at electronics than I am..Hopefully it will be quick and easy for an expert to tell us what to do.
https://www.ti.com/lit/ds/symlink/lm3914.pdf
Otherwise I'll have a look tomorrow...when I'm at work.
hear's the link to the spec for someone who's more current at electronics than I am..Hopefully it will be quick and easy for an expert to tell us what to do.
https://www.ti.com/lit/ds/symlink/lm3914.pdf
Otherwise I'll have a look tomorrow...when I'm at work.

Re: Any electronic engineers amongst us?
Hi Gary, Warren,
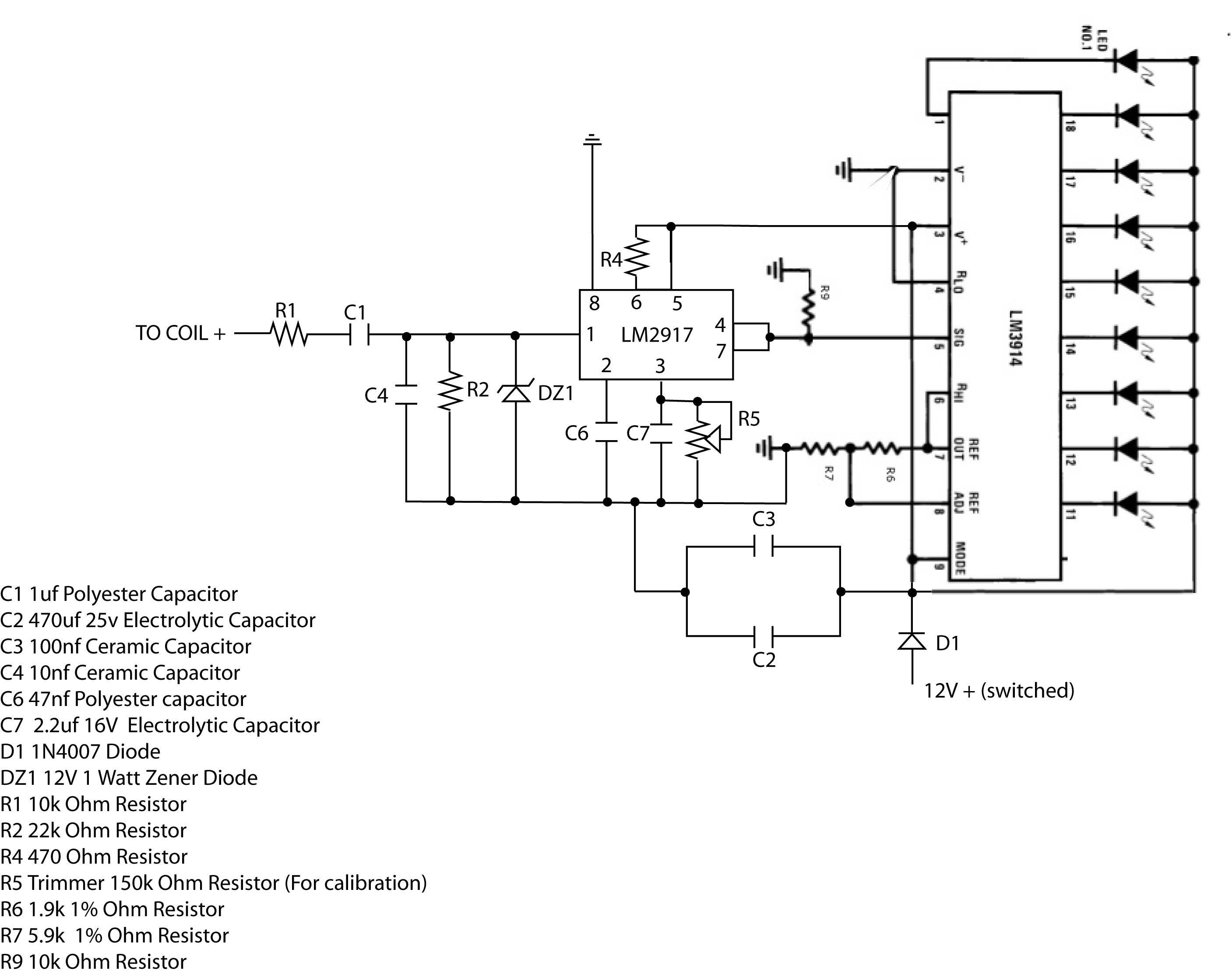
Here goes for an explanation.
1. R6 determines the LED drive current with a gain of around 10. The IC presents a fixed reference voltage of around 1.25v between pins 7 and 8, and across R6. So the current through r6 = I =V/R = 650µA giving and LED drive current 10 x higher = 6.5mA.
2. the combination of R6 & R7 determine the reference voltage Vref at pin 7 and pin 6 (Rhi) using the formula Vref = 1.25(1 + R7/R6) = 5.13v
The 5.13v is divided in 1/10 decrements to feed the non inverting input 10 Scmitt trigger comparators. The inverting side of the comparator is fed with the signal from the LM2907 at pin 5. This should equate to 0.5volt per 1000 revs.
3. The signal voltage Vo from the LM2907 being fed to pin 5 of the LM3914 is detemined by the C6 & R5 using the formula Vo = R5 × C6 × VCC × f
The values for R5 and C6 are calculated to give a signal voltage of about 0.4v/per 1000 revs with R5 set mid position (75k)
A couple of measurements might help figure out what is going on
What is the voltage at LM3914 Pin 5 with R5 mid position?
What is the voltage at LM3914 Pin 6?
What is the voltage at LM2907 Pin 7?
Here goes for an explanation.
1. R6 determines the LED drive current with a gain of around 10. The IC presents a fixed reference voltage of around 1.25v between pins 7 and 8, and across R6. So the current through r6 = I =V/R = 650µA giving and LED drive current 10 x higher = 6.5mA.
2. the combination of R6 & R7 determine the reference voltage Vref at pin 7 and pin 6 (Rhi) using the formula Vref = 1.25(1 + R7/R6) = 5.13v
The 5.13v is divided in 1/10 decrements to feed the non inverting input 10 Scmitt trigger comparators. The inverting side of the comparator is fed with the signal from the LM2907 at pin 5. This should equate to 0.5volt per 1000 revs.
3. The signal voltage Vo from the LM2907 being fed to pin 5 of the LM3914 is detemined by the C6 & R5 using the formula Vo = R5 × C6 × VCC × f
The values for R5 and C6 are calculated to give a signal voltage of about 0.4v/per 1000 revs with R5 set mid position (75k)
A couple of measurements might help figure out what is going on
What is the voltage at LM3914 Pin 5 with R5 mid position?
What is the voltage at LM3914 Pin 6?
What is the voltage at LM2907 Pin 7?
- warren3200gt
- Hardcore

- Posts: 3103
- Joined: 13th Jun 2014
- Location: Dartford Kent
Re: Any electronic engineers amongst us?
I'll have to get back to you with those figures tomorrow. Not allowed out in the garage after dark
apparentley the neighbours dont appreciate it!
PUM 488 June 2026
76 Z900A4, 77 Z650B1, 77 KZ650B1, 77 Z1000A1, 82 Z1000J2, ZRX1100R.
76 Z900A4, 77 Z650B1, 77 KZ650B1, 77 Z1000A1, 82 Z1000J2, ZRX1100R.
Re: Any electronic engineers amongst us?
No probs, lets see if we can figure it out.
garyd, feel free to challenge my calculations. Like you, it has been a while and two heads etc ....
garyd, feel free to challenge my calculations. Like you, it has been a while and two heads etc ....
- warren3200gt
- Hardcore

- Posts: 3103
- Joined: 13th Jun 2014
- Location: Dartford Kent
Re: Any electronic engineers amongst us?
No worries guys. Went to test the pin volts and thought Id use a alt method of checking the rev's. Previously Id been using one of those wrap a sensor around the HT lead digital type counters and thought I would check its accuracy using a gunson testune set to rpm reading from the live to the coil. Anyways......... bloody miles apart in readings. (Bike doesn't have a KHI mechanical rev counter fitted)
I trust the Gunson shed loads more than I trust the other one. Set it all up with the gunson fitted. R5 at 75 ohms. 975 rpm led 1 starts to flicker, 1k rpm its on full. 1975 rpm led 2 starts to flicker, 2k rpm its on full. 2975 rpm starts to flicker, 3k its on full.
very happy chappie.
So, thanks a lot, it looks like your calcs were bang on, unlike the Chinese crap HT sensor RPM digital counter which is now in the bin!
We now have a fully operational diagram to add to the portfolio of useful info on the site.
Once I have built the solid circuit and tested it I can get on with the layout and building of the dash.
Thanks again guys couldn't have done it without you. Beers on me when we meet! Once its done I'll post a pic.
This is the diagram that works.
I trust the Gunson shed loads more than I trust the other one. Set it all up with the gunson fitted. R5 at 75 ohms. 975 rpm led 1 starts to flicker, 1k rpm its on full. 1975 rpm led 2 starts to flicker, 2k rpm its on full. 2975 rpm starts to flicker, 3k its on full.
very happy chappie.So, thanks a lot, it looks like your calcs were bang on, unlike the Chinese crap HT sensor RPM digital counter which is now in the bin!
We now have a fully operational diagram to add to the portfolio of useful info on the site.
Once I have built the solid circuit and tested it I can get on with the layout and building of the dash.
Thanks again guys couldn't have done it without you. Beers on me when we meet! Once its done I'll post a pic.
This is the diagram that works.
PUM 488 June 2026
76 Z900A4, 77 Z650B1, 77 KZ650B1, 77 Z1000A1, 82 Z1000J2, ZRX1100R.
76 Z900A4, 77 Z650B1, 77 KZ650B1, 77 Z1000A1, 82 Z1000J2, ZRX1100R.
Re: Any electronic engineers amongst us?
Well done ... I am impressed 
- warren3200gt
- Hardcore

- Posts: 3103
- Joined: 13th Jun 2014
- Location: Dartford Kent
Re: Any electronic engineers amongst us?
Thanks but not sure anything I did could be described as impressive. Plenty of opportunity to still cock it up yet 
PUM 488 June 2026
76 Z900A4, 77 Z650B1, 77 KZ650B1, 77 Z1000A1, 82 Z1000J2, ZRX1100R.
76 Z900A4, 77 Z650B1, 77 KZ650B1, 77 Z1000A1, 82 Z1000J2, ZRX1100R.
Re: Any electronic engineers amongst us?
Yeah...me too. Just pointed and and said some words I'd overheard years ago.
Good lesson learnt though...you need to check the equpment that your checking with first.
Good lesson learnt though...you need to check the equpment that your checking with first.

- warren3200gt
- Hardcore

- Posts: 3103
- Joined: 13th Jun 2014
- Location: Dartford Kent
Re: Any electronic engineers amongst us?
Ok, phase two, deciding on the dash layout. which, if any is preferred? or alt suggestions. Would like to keep the speedo either to the left or right so as not to impede the drive cable with the headlamp shell.
- Attachments
-
- Dash v7.jpg (83.57 KiB) Viewed 5072 times
-
- Dash v1.jpg (80.99 KiB) Viewed 5073 times
-
- Dash v2.jpg (84.4 KiB) Viewed 5073 times
-
- Dash v3.jpg (83.47 KiB) Viewed 5073 times
-
- Dash v4.jpg (85.73 KiB) Viewed 5073 times
-
- Dash v5.jpg (86.75 KiB) Viewed 5073 times
-
- Dash v6.jpg (84 KiB) Viewed 5073 times
PUM 488 June 2026
76 Z900A4, 77 Z650B1, 77 KZ650B1, 77 Z1000A1, 82 Z1000J2, ZRX1100R.
76 Z900A4, 77 Z650B1, 77 KZ650B1, 77 Z1000A1, 82 Z1000J2, ZRX1100R.
Re: Any electronic engineers amongst us?
v7 & v3 look easier on they eye to me. A suggestion for connecting the LEDs to save 18 wires to the main pcb. How about connecting the LEDS to a small 10 row x 9 hole vero board with a common 12v rail then running a 10 core ribbon cable to the main board?
- warren3200gt
- Hardcore

- Posts: 3103
- Joined: 13th Jun 2014
- Location: Dartford Kent
Re: Any electronic engineers amongst us?
My two preferred options also, however I can't decide between them. Need some votes cast to swing the decision.
Regarding the leds to pc board wiring. I am putting the pc board into a small box which will have a 20 pin male/female connection block. One half will be mounted onto the face of the box and the leds wired to the other half. That way the leds and box came be separated. The pc box will be inside the dash unit/binnacle type thing and just the 3 PC board driving wires will follow the loom under the tank.
Regarding the leds to pc board wiring. I am putting the pc board into a small box which will have a 20 pin male/female connection block. One half will be mounted onto the face of the box and the leds wired to the other half. That way the leds and box came be separated. The pc box will be inside the dash unit/binnacle type thing and just the 3 PC board driving wires will follow the loom under the tank.
PUM 488 June 2026
76 Z900A4, 77 Z650B1, 77 KZ650B1, 77 Z1000A1, 82 Z1000J2, ZRX1100R.
76 Z900A4, 77 Z650B1, 77 KZ650B1, 77 Z1000A1, 82 Z1000J2, ZRX1100R.
Re: Any electronic engineers amongst us?
warren3200gt wrote:My two preferred options also, however I can't decide between them. Need some votes cast to swing the decision.
Regarding the leds to pc board wiring. I am putting the pc board into a small box which will have a 20 pin male/female connection block. One half will be mounted onto the face of the box and the leds wired to the other half. That way the leds and box came be separated. The pc box will be inside the dash unit/binnacle type thing and just the 3 PC board driving wires will follow the loom under the tank.
I was just trying to eliminate 8 of the 12v LED supplies where you only need 1 common 1. Sound like you have a neat solution anyway.
Re: Any electronic engineers amongst us?
Rev counter off V3
Ignition off V2 ( so keys and fob etc don't hang over leds)
Idiot lights below and parallel with rev counter V3 from right to left (straight portion) not going round the bend.
or straight across in line with the lowest rev indicator
Maybe
Ignition off V2 ( so keys and fob etc don't hang over leds)
Idiot lights below and parallel with rev counter V3 from right to left (straight portion) not going round the bend.
or straight across in line with the lowest rev indicator
Maybe
"Set the GRINDER on it"
- warren3200gt
- Hardcore

- Posts: 3103
- Joined: 13th Jun 2014
- Location: Dartford Kent
Re: Any electronic engineers amongst us?
Gus wrote:Rev counter off V3
Ignition off V2 ( so keys and fob etc don't hang over leds)
Idiot lights below and parallel with rev counter V3 from right to left (straight portion) not going round the bend.
or straight across in line with the lowest rev indicator
Maybe
??
- Attachments
-
- Dash v8.jpg (83.87 KiB) Viewed 5046 times
-
- Dash v9.jpg (84.11 KiB) Viewed 5046 times
PUM 488 June 2026
76 Z900A4, 77 Z650B1, 77 KZ650B1, 77 Z1000A1, 82 Z1000J2, ZRX1100R.
76 Z900A4, 77 Z650B1, 77 KZ650B1, 77 Z1000A1, 82 Z1000J2, ZRX1100R.
Who is online
Users browsing this forum: No registered users and 80 guests