Hello Guest User,
Please feel free to have a look around the forum but be aware that as an unregistered guest you can't see all of it and you can't post.
To access these 'Registered Users Only' areas simply register and login.
Please feel free to have a look around the forum but be aware that as an unregistered guest you can't see all of it and you can't post.
To access these 'Registered Users Only' areas simply register and login.
Any electronic engineers amongst us?
Moderators: chrisu, paul doran, Taffus, KeithZ1R
Re: Any electronic engineers amongst us?
I have had a look at this and see a couple of issues with the circuit as is.
1. It is designed for an old 8 cylinder car engine possibly with a distributor which implies much higher frequencies
2. The LEDS you intend to use are 12v meaning they would not be as bright using the regulated 9v supply
This is what i suggest to start with as a prototype
1. Omit the 7809 regulator and associated components components except for C2 and C3. Use bikes switched 12v supply.
2. Omit 1 of the LM3914 IC's
3. Build the LM2917 circuit changing C6 to 27nF and R5 to 100k preset. Use a 10k resistor for R9
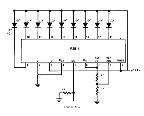
4. Build the LM3914 circuit as shown using 6.34k 1% resistor for R6 and 8.66k 1% resistor for R7
R5 is used for calibration
1. It is designed for an old 8 cylinder car engine possibly with a distributor which implies much higher frequencies
2. The LEDS you intend to use are 12v meaning they would not be as bright using the regulated 9v supply
This is what i suggest to start with as a prototype
1. Omit the 7809 regulator and associated components components except for C2 and C3. Use bikes switched 12v supply.
2. Omit 1 of the LM3914 IC's
3. Build the LM2917 circuit changing C6 to 27nF and R5 to 100k preset. Use a 10k resistor for R9
4. Build the LM3914 circuit as shown using 6.34k 1% resistor for R6 and 8.66k 1% resistor for R7
R5 is used for calibration
- warren3200gt
- Hardcore

- Posts: 3103
- Joined: 13th Jun 2014
- Location: Dartford Kent
Re: Any electronic engineers amongst us?
Amazing, thanks Zedhead. I'll draw up the entire circuit and post here for correction before I go shopping for components.couple of questions, would your diagram first led be lit constantly when the ignition is on regardless of if the motor was running? Not what I was after , but not an issue I would just need to add a 10th to the last outlet if it would be.
Secondly, r5 being variable?
Secondly, r5 being variable?
PUM 488 June 2026
76 Z900A4, 77 Z650B1, 77 KZ650B1, 77 Z1000A1, 82 Z1000J2, ZRX1100R.
76 Z900A4, 77 Z650B1, 77 KZ650B1, 77 Z1000A1, 82 Z1000J2, ZRX1100R.
Re: Any electronic engineers amongst us?
No probs. It has been a while since I have done this sort of stuff but it should work. Build a prototype before publishing. Some of the values may need changing depending on the voltage from your bike regulator although R5 should adjust allow enough adjustment.
LED 1 is driven from pin 1 so should not be permanently lit
LED 1 is driven from pin 1 so should not be permanently lit
Re: Any electronic engineers amongst us?
Don't know if this is any use but a Triumph 1050 speed Triple has an LED Bar graph rev indicator as standard so might be worth a look? Just so that you know the LEDs on the speed triple aren't very bright during day light.
Martin
Martin
- warren3200gt
- Hardcore

- Posts: 3103
- Joined: 13th Jun 2014
- Location: Dartford Kent
Re: Any electronic engineers amongst us?
Thanks Martin, not what Im after though. I want to do leds arc around the top of the speedo to match last winters project of the idiot lights arcing around the the underside of the speedo. Means I'll have to build a new housing but this is what the idiot light leds look like


PUM 488 June 2026
76 Z900A4, 77 Z650B1, 77 KZ650B1, 77 Z1000A1, 82 Z1000J2, ZRX1100R.
76 Z900A4, 77 Z650B1, 77 KZ650B1, 77 Z1000A1, 82 Z1000J2, ZRX1100R.
- warren3200gt
- Hardcore

- Posts: 3103
- Joined: 13th Jun 2014
- Location: Dartford Kent
Re: Any electronic engineers amongst us?
ZedHead wrote:I have had a look at this and see a couple of issues with the circuit as is.
1. It is designed for an old 8 cylinder car engine possibly with a distributor which implies much higher frequencies
2. The LEDS you intend to use are 12v meaning they would not be as bright using the regulated 9v supply
This is what i suggest to start with as a prototype
1. Omit the 7809 regulator and associated components components except for C2 and C3. Use bikes switched 12v supply.
2. Omit 1 of the LM3914 IC's
3. Build the LM2917 circuit changing C6 to 27nF and R5 to 100k preset. Use a 10k resistor for R9
4. Build the LM3914 circuit as shown using 6.34k 1% resistor for R6 and 8.66k 1% resistor for R7
R5 is used for calibration
LM3914.png
Zedhead, this is how I interpreted your directions, don't laugh, I can build circuits but know nowt about how or why they work. So consider your talking to an electrical idiot please.
note ample use of google translate for the components! Is it even nearly what you intended?
Diagram deleted so as not to confuse
Last edited by warren3200gt on Wed Dec 06, 2017 9:29 am, edited 1 time in total.
PUM 488 June 2026
76 Z900A4, 77 Z650B1, 77 KZ650B1, 77 Z1000A1, 82 Z1000J2, ZRX1100R.
76 Z900A4, 77 Z650B1, 77 KZ650B1, 77 Z1000A1, 82 Z1000J2, ZRX1100R.
Re: Any electronic engineers amongst us?
Essentially yes, although you will need 12v feed to LM2917 pins 5 and 6 via R4.
I want to recheck some of the component values before you go ahead and build it. It would help to know the LED current. VPD rate these as 5 Amps which I take as a misprint. My guess would be 5mA
Any chance you can connect a multimeter in series with one on a 12 battery?
I want to recheck some of the component values before you go ahead and build it. It would help to know the LED current. VPD rate these as 5 Amps which I take as a misprint. My guess would be 5mA
Any chance you can connect a multimeter in series with one on a 12 battery?
- warren3200gt
- Hardcore

- Posts: 3103
- Joined: 13th Jun 2014
- Location: Dartford Kent
Re: Any electronic engineers amongst us?
Thought I had to bin R4? So if I took a spur from the 12v+ feeding pin 9 and 3 and ran it through R4 (470ohm) resistor to pins 5 and 6 that is as intended?
Led is actually reading 6.25mA.
Led is actually reading 6.25mA.
PUM 488 June 2026
76 Z900A4, 77 Z650B1, 77 KZ650B1, 77 Z1000A1, 82 Z1000J2, ZRX1100R.
76 Z900A4, 77 Z650B1, 77 KZ650B1, 77 Z1000A1, 82 Z1000J2, ZRX1100R.
Re: Any electronic engineers amongst us?
You have got it Warren!
The LED current is higher than I thought and since it is set from R6 and R7 these values will need to be recalculated. No big deal I will sort it
The LED current is higher than I thought and since it is set from R6 and R7 these values will need to be recalculated. No big deal I will sort it
- warren3200gt
- Hardcore

- Posts: 3103
- Joined: 13th Jun 2014
- Location: Dartford Kent
Re: Any electronic engineers amongst us?
So those two new lives would be in addition to the conections already on pins 5 and 6?
PUM 488 June 2026
76 Z900A4, 77 Z650B1, 77 KZ650B1, 77 Z1000A1, 82 Z1000J2, ZRX1100R.
76 Z900A4, 77 Z650B1, 77 KZ650B1, 77 Z1000A1, 82 Z1000J2, ZRX1100R.
Re: Any electronic engineers amongst us?
Warren, pins 5 & 6 on the LM2917 have no connections. As these are supply pins the chip wont work 
- warren3200gt
- Hardcore

- Posts: 3103
- Joined: 13th Jun 2014
- Location: Dartford Kent
Re: Any electronic engineers amongst us?
Ahh soz, thought you meant pins 5 and 6 on LM 3914. Your right I should have gone to spec savers!!!
PUM 488 June 2026
76 Z900A4, 77 Z650B1, 77 KZ650B1, 77 Z1000A1, 82 Z1000J2, ZRX1100R.
76 Z900A4, 77 Z650B1, 77 KZ650B1, 77 Z1000A1, 82 Z1000J2, ZRX1100R.
- warren3200gt
- Hardcore

- Posts: 3103
- Joined: 13th Jun 2014
- Location: Dartford Kent
Re: Any electronic engineers amongst us?
Revised diagram with R4 added.
Diagram deleted so as not to confuse
Diagram deleted so as not to confuse
Last edited by warren3200gt on Wed Dec 06, 2017 9:28 am, edited 1 time in total.
PUM 488 June 2026
76 Z900A4, 77 Z650B1, 77 KZ650B1, 77 Z1000A1, 82 Z1000J2, ZRX1100R.
76 Z900A4, 77 Z650B1, 77 KZ650B1, 77 Z1000A1, 82 Z1000J2, ZRX1100R.
Re: Any electronic engineers amongst us?
Warren, you have the idea except R4 only feeds pin 6, Pin 5 is 12v direct. I don't actually now why you need R4, you could connect 5 and 6 together. I assume the original designer has a reason for it I haven't spotted yet.
- warren3200gt
- Hardcore

- Posts: 3103
- Joined: 13th Jun 2014
- Location: Dartford Kent
Re: Any electronic engineers amongst us?
Revised with your comment below
Diagram deleted so as not to confuse
Diagram deleted so as not to confuse
Last edited by warren3200gt on Wed Dec 06, 2017 9:27 am, edited 1 time in total.
PUM 488 June 2026
76 Z900A4, 77 Z650B1, 77 KZ650B1, 77 Z1000A1, 82 Z1000J2, ZRX1100R.
76 Z900A4, 77 Z650B1, 77 KZ650B1, 77 Z1000A1, 82 Z1000J2, ZRX1100R.
Who is online
Users browsing this forum: jonathan and 92 guests